1.500 TL Üzeri Alışverişlerinizde Ücretsiz Kargo
Size Özel Ürünler
Size Özel Kampanyalı Ürünler
1.500 TL Üzeri Alışverişlerinizde Ücretsiz Kargo
Size Özel Ürünler
29334EM  RULMAN
29334EM  RULMAN
29334EM  RULMAN
29334EM  RULMAN
29334EM  RULMAN
29334EM  RULMAN
29334EM  RULMAN
29334EM  RULMAN

RULMAN ONLİNE

29334EM RULMAN

WhatsApp
features1.500 TL üzeri ücretsiz kargo
features14 gün içinde iade değişim
Ürün Açıklaması
SEPETE EKLE

Yapısal Özellikler

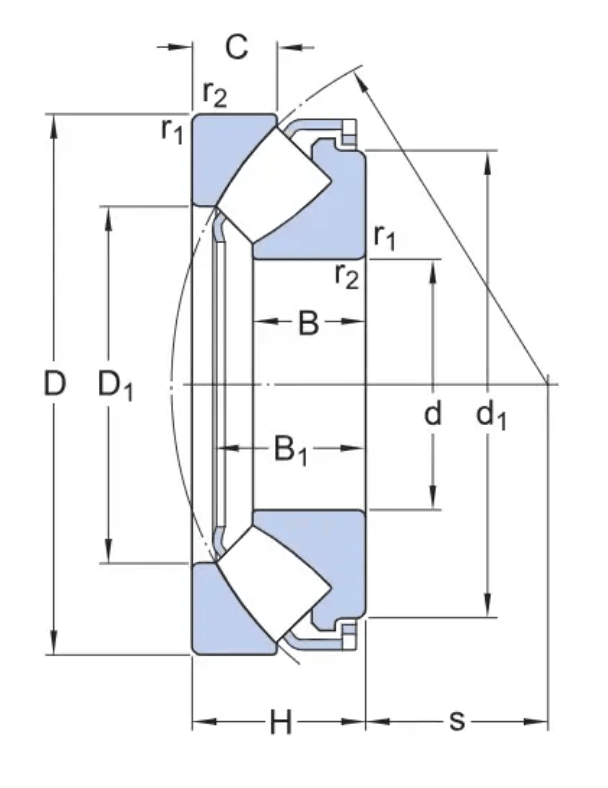
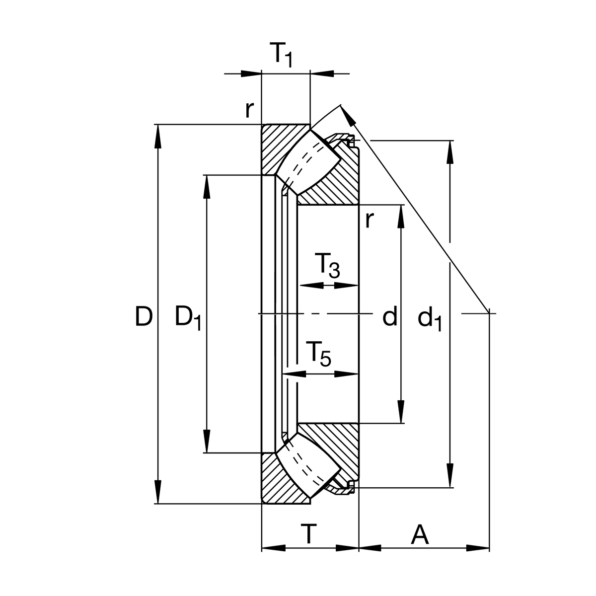
  • Tek sıralı spherical roller thrust tasarım: yüksek eksenel ve sınırlı radyal yük taşıma kapasitesi sağlar.
  • Separable (ayrılabilir) yapı: iç ve dış halkalar bağımsız monte edilebilir, bu da montaj ve bakımda kolaylık sağlar.
  • Dayanıklı malzeme ve kafes: GCr15 çelik bileşenler; kafes malzemesi çelik veya pres kafestir.
  • Açısal hizasızlık toleransı: mil sapmalarını tolere eder, çalışma toleransını artırır.
  • ISO standart boyutsal uyum: küresel tedarik ve parça değişimini kolaylaştıran tasarım.

 

Kullanım Alanları

29334EM rulmanları tipik olarak ağır sanayi alanlarında kullanılır:

  • Türbinler, hidrolik presler, redüktör sistemleri
  • Gemi makineleri ve denizcilik ekipmanları
  • Madencilik, çimento, enerji santrali cihazları
  • Vinç, döner tahrik sistemleri, ağır metal işleme makineleri
  • Ağır yük taşıyan ve açısal sapmanın tolere edilmesi gereken endüstriyel sistemler

 

Avantajları

  • Yüksek yük taşıma kapasitesi (eksensele ve sınırlı radyale) — ağır uygulamalar için ideal.
  • Açısal hizasızlık toleransı — mil-montaj sapmalarına karşı dayanıklılık.
  • Separable yapı — bakım, montaj ve demontaj süreçlerinde esneklik.
  • Dayanıklı malzeme ve kafes — uzun ömür ve güvenilir performans.
  • Yüksek hız kapasitesi — referans ve limit hızlarda verim.
  • ISO uyumlu boyutsal yapı — yedek parça temininde kolaylık.
  • Düşük çalışma sıcaklığı, uzun servis ömrü ve yüksek güvenilirlik.

 

Eşdeğer Ürün Kodları

  • SKF 29334E: Orijinal model – Ca ~1200kN, C₀a ~3550kN, hız limit ~2200rpm, ağırlık ~15kg.
  • SNR / NTN 29334E: Teknik olarak benzer – Ca ~1060kN, C₀a ~3660kN, yağ limit hızı ~1300rpm.
  • Timken 29334EJ (TSR tipi): Aynı boyut ve yük kapasitesinde, TSR serisinin referansı.
Teknik Özellikleri

Yapısal Özellikler

  • Tek sıralı spherical roller thrust tasarım: yüksek eksenel ve sınırlı radyal yük taşıma kapasitesi sağlar.
  • Separable (ayrılabilir) yapı: iç ve dış halkalar bağımsız monte edilebilir, bu da montaj ve bakımda kolaylık sağlar.
  • Dayanıklı malzeme ve kafes: GCr15 çelik bileşenler; kafes malzemesi çelik veya pres kafestir.
  • Açısal hizasızlık toleransı: mil sapmalarını tolere eder, çalışma toleransını artırır.
  • ISO standart boyutsal uyum: küresel tedarik ve parça değişimini kolaylaştıran tasarım.

 

Kullanım Alanları

29334EM rulmanları tipik olarak ağır sanayi alanlarında kullanılır:

  • Türbinler, hidrolik presler, redüktör sistemleri
  • Gemi makineleri ve denizcilik ekipmanları
  • Madencilik, çimento, enerji santrali cihazları
  • Vinç, döner tahrik sistemleri, ağır metal işleme makineleri
  • Ağır yük taşıyan ve açısal sapmanın tolere edilmesi gereken endüstriyel sistemler

 

Avantajları

  • Yüksek yük taşıma kapasitesi (eksensele ve sınırlı radyale) — ağır uygulamalar için ideal.
  • Açısal hizasızlık toleransı — mil-montaj sapmalarına karşı dayanıklılık.
  • Separable yapı — bakım, montaj ve demontaj süreçlerinde esneklik.
  • Dayanıklı malzeme ve kafes — uzun ömür ve güvenilir performans.
  • Yüksek hız kapasitesi — referans ve limit hızlarda verim.
  • ISO uyumlu boyutsal yapı — yedek parça temininde kolaylık.
  • Düşük çalışma sıcaklığı, uzun servis ömrü ve yüksek güvenilirlik.

 

Eşdeğer Ürün Kodları

  • SKF 29334E: Orijinal model – Ca ~1200kN, C₀a ~3550kN, hız limit ~2200rpm, ağırlık ~15kg.
  • SNR / NTN 29334E: Teknik olarak benzer – Ca ~1060kN, C₀a ~3660kN, yağ limit hızı ~1300rpm.
  • Timken 29334EJ (TSR tipi): Aynı boyut ve yük kapasitesinde, TSR serisinin referansı.
Yorumlar
Bu ürün için henüz yorum yapılmamış.

Çok Satanlar

logo
visamaestromastercard