1.500 TL Üzeri Alışverişlerinizde Ücretsiz Kargo
Size Özel Ürünler
Size Özel Kampanyalı Ürünler
1.500 TL Üzeri Alışverişlerinizde Ücretsiz Kargo
Size Özel Ürünler
29413EM RULMAN
29413EM RULMAN
29413EM RULMAN
29413EM RULMAN
29413EM RULMAN
29413EM RULMAN
29413EM RULMAN
29413EM RULMAN

RULMAN ONLİNE

29413EM RULMAN

WhatsApp
features1.500 TL üzeri ücretsiz kargo
features14 gün içinde iade değişim
Ürün Açıklaması
SEPETE EKLE

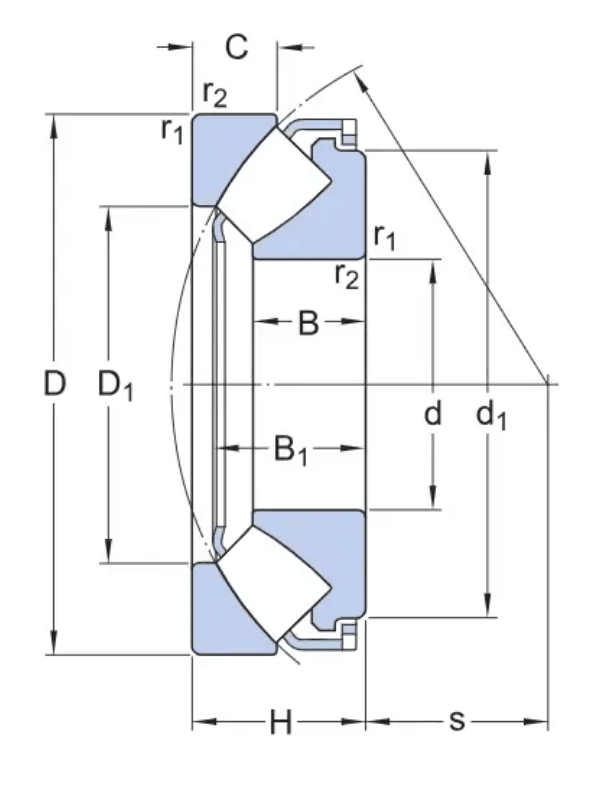
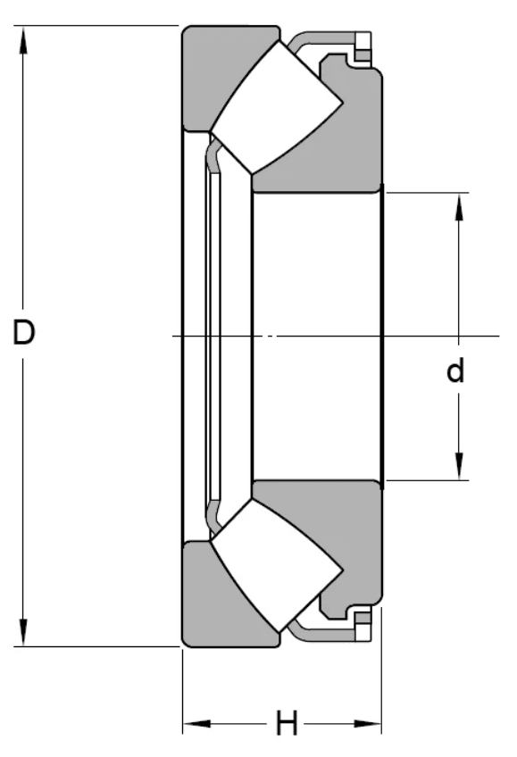
Yapısal Özellikler

  • Tek sıralı eksenel eğimli bilyalı rulman — yüksek eksenel ve sınırlı radyal yük taşıma.
  • Separable (ayrılabilir) tasarım — iç ve dış halkalar kolay montaj/demontaj.
  • Bronz kafes (EM yapısı) — yüksek yük dayanımı ve ısıl stabilite.
  • Açısal hizasızlık toleransı — mil sapmalarını tolere eder.
  • Boyutsal ISO/DIN standardına uygun — küresel tedarik ve değişim kolaylığı

 

Kullanım Alanları

Bu rulman türü, aşağıdaki ağır hizmet ve kritik uygulamalarda yaygın olarak tercih edilir:

  • Türbinler ve jeneratör sistemleri
  • Dişli kutuları/redüktör grupları
  • Gemi makineleri ve denizcilik uygulamaları
  • Hidrolik presler, vinçler ve ağır taşıma sistemleri
  • Enerji santralleri, madencilik, çimento tesisleri
  • Montajda açısal hizasızlık toleransı gerektiren uygulamalar

 

Avantajları

  • Yüksek eksenel yük taşıma kapasitesi: zorlu endüstriyel uygulamalar için ideal.
  • Bronz kafes (EM) yapısı: uzun ömür ve yüksek termal kararlılık sunar.
  • Separable tasarım: bakım ve montaj süreçlerinde büyük kolaylık.
  • Açısal hizasızlığa tolerans: montaj hatalarına karşı daha dayanıklı.
  • İyi hız performansı: yağlı ~2200rpm, gresli ~1550rpm.
  • Global standard uyumu: ISO/DIN boyutsal uyum ile yedek ve tedarik genişliği sağlar.

 

Eşdeğer Ürün Kodları

Aşağıda benzer özelliklere sahip, alternatif markalardan verilen eşdeğer rulman kodları sunulmaktadır:

  • SKF 29413E: Aynı ölçülerde, optimize iç yapı ve yüksek performans sunar — Ca ≈455kN, C₀a ≈1080kN, referans ≈2600rpm, limit ≈4800rpm
  • SNR / NTN 29413E: Ölçü bakımından birebir uyumlu; Ca ≈405kN, C₀a ≈1180kN, limit hız ≈4600rpm
  • NTN-SNR teknik varyant: Benzer yapı ile Ca ~405kN, C₀a ~1180kN, yağ limit hız ~2300rpm, referans hız ~2400rpm, sıcaklık aralığı –40°C … +200°C 
Teknik Özellikleri

Yapısal Özellikler

  • Tek sıralı eksenel eğimli bilyalı rulman — yüksek eksenel ve sınırlı radyal yük taşıma.
  • Separable (ayrılabilir) tasarım — iç ve dış halkalar kolay montaj/demontaj.
  • Bronz kafes (EM yapısı) — yüksek yük dayanımı ve ısıl stabilite.
  • Açısal hizasızlık toleransı — mil sapmalarını tolere eder.
  • Boyutsal ISO/DIN standardına uygun — küresel tedarik ve değişim kolaylığı

 

Kullanım Alanları

Bu rulman türü, aşağıdaki ağır hizmet ve kritik uygulamalarda yaygın olarak tercih edilir:

  • Türbinler ve jeneratör sistemleri
  • Dişli kutuları/redüktör grupları
  • Gemi makineleri ve denizcilik uygulamaları
  • Hidrolik presler, vinçler ve ağır taşıma sistemleri
  • Enerji santralleri, madencilik, çimento tesisleri
  • Montajda açısal hizasızlık toleransı gerektiren uygulamalar

 

Avantajları

  • Yüksek eksenel yük taşıma kapasitesi: zorlu endüstriyel uygulamalar için ideal.
  • Bronz kafes (EM) yapısı: uzun ömür ve yüksek termal kararlılık sunar.
  • Separable tasarım: bakım ve montaj süreçlerinde büyük kolaylık.
  • Açısal hizasızlığa tolerans: montaj hatalarına karşı daha dayanıklı.
  • İyi hız performansı: yağlı ~2200rpm, gresli ~1550rpm.
  • Global standard uyumu: ISO/DIN boyutsal uyum ile yedek ve tedarik genişliği sağlar.

 

Eşdeğer Ürün Kodları

Aşağıda benzer özelliklere sahip, alternatif markalardan verilen eşdeğer rulman kodları sunulmaktadır:

  • SKF 29413E: Aynı ölçülerde, optimize iç yapı ve yüksek performans sunar — Ca ≈455kN, C₀a ≈1080kN, referans ≈2600rpm, limit ≈4800rpm
  • SNR / NTN 29413E: Ölçü bakımından birebir uyumlu; Ca ≈405kN, C₀a ≈1180kN, limit hız ≈4600rpm
  • NTN-SNR teknik varyant: Benzer yapı ile Ca ~405kN, C₀a ~1180kN, yağ limit hız ~2300rpm, referans hız ~2400rpm, sıcaklık aralığı –40°C … +200°C 
Yorumlar
Bu ürün için henüz yorum yapılmamış.

Çok Satanlar

logo
visamaestromastercard