1.500 TL Üzeri Alışverişlerinizde Ücretsiz Kargo
Size Özel Ürünler
Size Özel Kampanyalı Ürünler
1.500 TL Üzeri Alışverişlerinizde Ücretsiz Kargo
Size Özel Ürünler
NATR30PP Rulman
NATR30PP Rulman
NATR30PP Rulman
NATR30PP Rulman
NATR30PP Rulman
NATR30PP Rulman

RULMAN ONLİNE

NATR30PP Rulman

WhatsApp
features1.500 TL üzeri ücretsiz kargo
features14 gün içinde iade değişim
Ürün Açıklaması
SEPETE EKLE

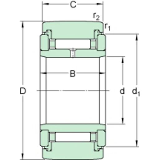
Yapısal Özellikler

  • Çift taraf sızdırmazlık: Plastik düz yıkama elemanları + üç aşamalı contasız önleyici yapı sayesinde kir, toz, su girişine karşı kuvvetli koruma sağlanır.
  • İğne rulman düzeni: Dar yapıda yük taşıma kapasitesini maksimize eder; yoğun statik/radyal yükler için idealdir.
  • Yoke tipi dış halka: Şablon veya ray yüzeylerine yuvarlak temas uygulanarak hizalama toleransları genişletilir ve eksenel yük taşınabilir.

Kullanım Alanları

  • Kaynak hatları, konveyor bant sistemleri, kam baskı/çıkarma sistemleri, tarım makineleri, asansör ve vinç sistemleri gibi eksenel yönlendirmeli mekanizmalarda yaygın.
  • Yüksek radyal yükler + yatay/eksenel yönlendirme gerektiren uygulamalar için uygundur.

Avantajları

  • Yüksek yük taşıma kapasitesi
  • Uzun ömür ve dayanıklılık
  • Düşük bakım ihtiyacı
  • Yüksek Hız Performansı

Eşdeğer Ürün Kodları

  • NATR 30 – PP – A (INA / Schaeffler): Çift sızdırmalı, plastik düz yıkama ile tamamlanmış versiyon.
  • NATR30‑PP‑A: Genellikle tam versiyon olarak anılır, aynı teknik değerleri içerir.
  • NATR 30 PP (SKF, Motion Industries): Teknik olarak eşdeğer.
  • NATR30 PP (Radwell / Market Rulman): Boyut/kod uyumu bulunur
Teknik Özellikleri

Yapısal Özellikler

  • Çift taraf sızdırmazlık: Plastik düz yıkama elemanları + üç aşamalı contasız önleyici yapı sayesinde kir, toz, su girişine karşı kuvvetli koruma sağlanır.
  • İğne rulman düzeni: Dar yapıda yük taşıma kapasitesini maksimize eder; yoğun statik/radyal yükler için idealdir.
  • Yoke tipi dış halka: Şablon veya ray yüzeylerine yuvarlak temas uygulanarak hizalama toleransları genişletilir ve eksenel yük taşınabilir.

Kullanım Alanları

  • Kaynak hatları, konveyor bant sistemleri, kam baskı/çıkarma sistemleri, tarım makineleri, asansör ve vinç sistemleri gibi eksenel yönlendirmeli mekanizmalarda yaygın.
  • Yüksek radyal yükler + yatay/eksenel yönlendirme gerektiren uygulamalar için uygundur.

Avantajları

  • Yüksek yük taşıma kapasitesi
  • Uzun ömür ve dayanıklılık
  • Düşük bakım ihtiyacı
  • Yüksek Hız Performansı

Eşdeğer Ürün Kodları

  • NATR 30 – PP – A (INA / Schaeffler): Çift sızdırmalı, plastik düz yıkama ile tamamlanmış versiyon.
  • NATR30‑PP‑A: Genellikle tam versiyon olarak anılır, aynı teknik değerleri içerir.
  • NATR 30 PP (SKF, Motion Industries): Teknik olarak eşdeğer.
  • NATR30 PP (Radwell / Market Rulman): Boyut/kod uyumu bulunur
Yorumlar
Bu ürün için henüz yorum yapılmamış.

Çok Satanlar

logo
visamaestromastercard