1.500 TL Üzeri Alışverişlerinizde Ücretsiz Kargo
Size Özel Ürünler
Size Özel Kampanyalı Ürünler
1.500 TL Üzeri Alışverişlerinizde Ücretsiz Kargo
Size Özel Ürünler
Anasayfa
Rulmanlar
Yağ Keçesi
Dişli
Kayış
Zincir
0
Rulmanlar
Paslanmaz Yataklı Rulmanlar
RULMAN ONLİNE
SUCT209 RULMAN
SEPETE EKLE
WhatsApp
1.500 TL üzeri ücretsiz kargo
14 gün içinde iade değişim
Ürün Açıklaması
SEPETE EKLE
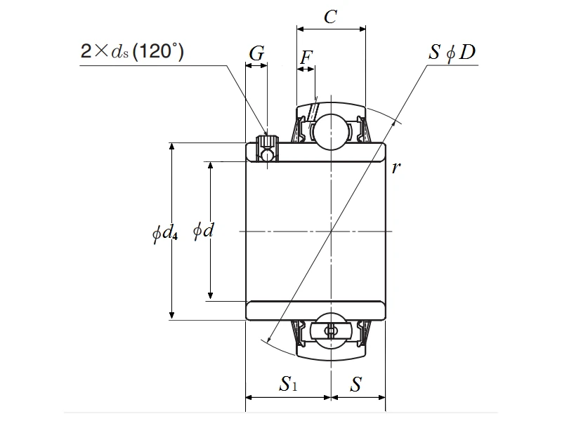
Yapısal Özellikler
Montaj Tipi
: Take‑up (kaydırmalı), köşe veya dört delikli flanş
Muhafaza Malzemesi
: Paslanmaz çelik (SUCT) veya dökme demir (UCF/UCP)
İç Rulman
: SUC209 / UC209 – derin oluklu bilyalı, ISO 0 hassasiyet
Kilitleme Sistemi
: Set-screw (civatalı) iç halka kilidi
Keçe Türü
: B‑tipi silikon temas keçe çift taraflı
Yağlama
: Relübrïkabl, gresörlük var
Maks. Hız
: ~3 100 – 3 400 rpm
Yük Kapasitesi
: Dinamik ~25–34 kN, Statik ~20–21 kN
Kullanım Alanları
Gıda, içecek, kimya ve ilaç endüstrisindeki gıda sınıfı makineler
Konveyör sistemleri, bant ve zincir gergi mekanizmaları
Tarım, inşaat ve maden makinelerinde ağır radyal yük uygulamaları
Yüksek titreşimli veya agresif ortamlarda kullanılan ekipmanlar
Avantajları
Uzun ömürlü ve dayanıklı yapı
Bakım kolaylığı
Kolay Montaj
Yağlama kolaylığı
Eşdeğer Ürün Kodları
UCF209 / UCF209‑27 / UCF209‑28
: 4 delikli flanşlı set-screw monteli, dökme demir gövde (örn. Peer, Timken, FYH markalarından)
UCP209 / UCP209‑H / UCP209‑26N
: Plummer/pillow block tipi yatak (2 cıvatalı), dökme demir muhafaza
SUC209‑27 / SUCT209‑28CCFG1
: Paslanmaz çelik take-up tipi, bir taraf kapaklı (süte uygun, gıdaya uygun)
FYH UCF209‑28
: Paslanmaz içerikli, seal’li, 45 mm mil çapı
SKF, NSK, INA muadilleri
: UC209 iç halkalı rulman + uygun F209/UCF209 muhafaza
Teknik Özellikleri
Yapısal Özellikler
Montaj Tipi
: Take‑up (kaydırmalı), köşe veya dört delikli flanş
Muhafaza Malzemesi
: Paslanmaz çelik (SUCT) veya dökme demir (UCF/UCP)
İç Rulman
: SUC209 / UC209 – derin oluklu bilyalı, ISO 0 hassasiyet
Kilitleme Sistemi
: Set-screw (civatalı) iç halka kilidi
Keçe Türü
: B‑tipi silikon temas keçe çift taraflı
Yağlama
: Relübrïkabl, gresörlük var
Maks. Hız
: ~3 100 – 3 400 rpm
Yük Kapasitesi
: Dinamik ~25–34 kN, Statik ~20–21 kN
Kullanım Alanları
Gıda, içecek, kimya ve ilaç endüstrisindeki gıda sınıfı makineler
Konveyör sistemleri, bant ve zincir gergi mekanizmaları
Tarım, inşaat ve maden makinelerinde ağır radyal yük uygulamaları
Yüksek titreşimli veya agresif ortamlarda kullanılan ekipmanlar
Avantajları
Uzun ömürlü ve dayanıklı yapı
Bakım kolaylığı
Kolay Montaj
Yağlama kolaylığı
Eşdeğer Ürün Kodları
UCF209 / UCF209‑27 / UCF209‑28
: 4 delikli flanşlı set-screw monteli, dökme demir gövde (örn. Peer, Timken, FYH markalarından)
UCP209 / UCP209‑H / UCP209‑26N
: Plummer/pillow block tipi yatak (2 cıvatalı), dökme demir muhafaza
SUC209‑27 / SUCT209‑28CCFG1
: Paslanmaz çelik take-up tipi, bir taraf kapaklı (süte uygun, gıdaya uygun)
FYH UCF209‑28
: Paslanmaz içerikli, seal’li, 45 mm mil çapı
SKF, NSK, INA muadilleri
: UC209 iç halkalı rulman + uygun F209/UCF209 muhafaza
Yorumlar
Bu ürün için henüz yorum yapılmamış.
Çok Satanlar
SEPETE EKLE
Rulman Online
1200TVH.FAG Rulman
SEPETE EKLE
Rulman Online
1201 HIC(JAPAN) Rulman
SEPETE EKLE
Rulman Online
1201 NSK Rulman
SEPETE EKLE
Rulman Online
1201 NTN Rulman
SEPETE EKLE
Rulman Online
10*16*4 NBR YAĞ KEÇE
SEPETE EKLE
Rulman Online
10*18*5 NBR YAĞ KEÇE
SEPETE EKLE
Rulman Online
10*19,80*4,60 NBR YAĞ KEÇE
SEPETE EKLE
Rulman Online
10*19*3,60 NBR YAĞ KEÇE
SEPETE EKLE
Rulman Online
10*19*7 NBR YAĞ KEÇE
SEPETE EKLE
Rulman Online
10*20*4 NBR YAĞ KEÇE
SEPETE EKLE
Rulman Online
10*20*5 NBR YAĞ KEÇE
SEPETE EKLE
Rulman Online
10*20*7 NBR YAĞ KEÇE
SEPETE EKLE
Rulman Online
10*22*4 NBR YAĞ KEÇE
SEPETE EKLE
Rulman Online
10*22*5 NBR YAĞ KEÇE
SEPETE EKLE
Rulman Online
10*22*7 NBR YAĞ KEÇE
SEPETE EKLE
Rulman Online
10*22*8 NBR YAĞ KEÇE
SEPETE EKLE
Rulman Online
10*24*7 NBR YAĞ KEÇE
SEPETE EKLE
Rulman Online
10*25*5 NBR YAĞ KEÇE
SEPETE EKLE
Rulman Online
1200 HIC(JAPAN) Rulman
SEPETE EKLE
Rulman Online
1200 URB Rulman
SEPETE EKLE
Rulman Online
1200TVH.FAG Rulman
SEPETE EKLE
Rulman Online
1201 HIC(JAPAN) Rulman
SEPETE EKLE
Rulman Online
1201 NSK Rulman
SEPETE EKLE
Rulman Online
1201 NTN Rulman
SEPETE EKLE
Rulman Online
10*16*4 NBR YAĞ KEÇE
SEPETE EKLE
Rulman Online
10*18*5 NBR YAĞ KEÇE
SEPETE EKLE
Rulman Online
10*19,80*4,60 NBR YAĞ KEÇE
SEPETE EKLE
Rulman Online
10*19*3,60 NBR YAĞ KEÇE
SEPETE EKLE
Rulman Online
10*19*7 NBR YAĞ KEÇE
SEPETE EKLE
Rulman Online
10*20*4 NBR YAĞ KEÇE
SEPETE EKLE
Rulman Online
10*20*5 NBR YAĞ KEÇE
SEPETE EKLE
Rulman Online
10*20*7 NBR YAĞ KEÇE
SEPETE EKLE
Rulman Online
10*22*4 NBR YAĞ KEÇE
SEPETE EKLE
Rulman Online
10*22*5 NBR YAĞ KEÇE
SEPETE EKLE
Rulman Online
10*22*7 NBR YAĞ KEÇE
SEPETE EKLE
Rulman Online
10*22*8 NBR YAĞ KEÇE
SEPETE EKLE
Rulman Online
10*24*7 NBR YAĞ KEÇE
SEPETE EKLE
Rulman Online
10*25*5 NBR YAĞ KEÇE
SEPETE EKLE
Rulman Online
1200 HIC(JAPAN) Rulman
SEPETE EKLE
Rulman Online
1200 URB Rulman
SEPETE EKLE
Rulman Online
1200TVH.FAG Rulman
SEPETE EKLE
Rulman Online
1201 HIC(JAPAN) Rulman
SEPETE EKLE
Rulman Online
1201 NSK Rulman
SEPETE EKLE
Rulman Online
1201 NTN Rulman